High-performance FSK Receiver Module with TI-Chipcon' S CC113L chip
Module introduction
DL-RXC113L was designed base on TI-Chipcon's CC113L RF Receiver chip. It is a compact, long-distance, high-performance wireless RF receiving module. The chip launched by TI-Chipcon is mainly set to 315MHz, 433MHz, 868MHz, 915MHz and other special frequency bands of the national networks. The sensitivity can reach -114dbm, the maximum transmission rate can reach 500Kbps.
This RF module integrates all RF-related functions. Users do not need to have a deep understanding of RF circuit design; they can use this module to easily develop wireless products with stable performance and high reliability, shortening the product development cycle.
There are 2 interface modes (SMD and DIP) been adopted, which can not only meet customers' SMT application, but also realize transverse and longitudinal welding through 2.0mm standard stitch arrangement. The small size of the module is convenient for portable products, and it can well meet the requirements of low-power system by combining with low-power MCU.
Features
● 600m transmission distance (1200bps)
● Working frequency: 433.92m (other frequencies need to be customized)
● Operating voltage: 1.8V-3.6V
● The most classical product in the SUB GHz RF modules
● Support up to 255 independent channels, can achieve soft frequency hopping
● Separate 64-byte RX FIFO and TX FIFO
● Efficient SPI four-pins interface
Applications
● Wireless sensor;
● Home automation;
● Automated data collection;
● Industrial remote control, telemetry;
● Data monitoring and transmission;
● Home Appliance Control;
● Security, alarm control;
Download Center
DL-RXC113L Specification V1.1 
Technical Parameter
DC characteristics
| Description | Min. | Max. | Unit |
| Supply voltage | 1.8 | 3.6 | V |
| Working current | RX <16mA |
| mA |
| Standby current |
| <1uA | mA |
| IO port voltage | Vss-0.3 | Vdd+0.3 | V |
| Working temperature | -20 | 75 | ℃ |
DC characteristics of the Module
RF characteristics (Unless otherwise stated, the temperature is 25 ℃, and VCC is 3.3V)
| No | Characteristics | Index parameter range | Unit |
|
| Min. | Typi. | Max. |
|
| 1 | Frequency range (customized by industry) | 250 | 433.92 | 1000 | MHz |
| 2 | Frequency interval |
| 100K |
| Hz |
| 3 | Receive sensitivity |
| -114 |
| dBm |
| 4 | Modulation | GFSK | 2-FSK | OOK | MSK |
| 5 | Transmission rate | 1.2 |
| 500 | Kbps |
| 6 | Communication distance | 500 |
| 600 | M |
| 7 | OOK Modulation mode, sensitivity |
| -108 |
| dBm |
| 8 | OOK modulation mode, rate |
|
| 100 | Kbps |
| 9 | Standby power consumption |
|
| 0.9 | MHz |
| 10 | Crystal accuracy |
| 10 |
| PPM |
High frequency characteristic table of the module
Pins Definition

| Pin | Name | Description | Remark |
| 1 | PA_VDD | Power supply 3.0~9.0V | RF VDD |
| 2 | VDD | Power supply of RF transceiver chip: 3.3V | 1.8-3.6V |
| 3 | NIRQ | Interrupt input pin, output low level when interrupt is generated |
|
| 4 | SCLK | SCLK input. Provide four-line serial data clock function | Configuration register |
| 5 | SDO |
0~VDD Digital output |
|
| 6 | SDI | 0~VDD Digital input |
|
| 7 | NSEL | Input pin for serial interface select |
|
| 8 | SDN | Turn off input pin, SDN = 0 or 1; Refer to IC specification |
|
| 9-11 | GND | Grounding, common ground with the system |
|
| 12 | ANT | Antenna
|
|
Pins Definition of DL-RXC113L Module
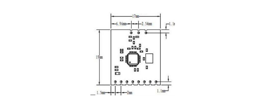
Size

Dreamlnk is a high-tech enterprise specializing in ISM band micropower wireless communication technology, providing different kinds of wireless modules and one-stop IoT solutions, including 433/868/915MHz wireless modules, 2.4G RF Modules, FSK Wireless Modules, Antennas, Remote Controls, and customized wireless RF solutions. Welcome to inquire!